消防改造
消防維保
主機維修
聯(lián)系我們
- 聯(lián)系人:郭經(jīng)理
- 傳真:010-69552656
- 電話:400-0346-119
- 電話:010-57113119
- 郵箱:506665119@qq.com
- 地址:北京通州區(qū)新華北路117號
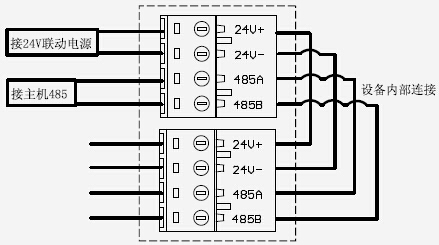
泰和安TX3503總線操作盤布線要求
來源:北京消防改造 時間:2019-11-21 11:15:54
TX3503總線操作盤布線要求
1、RS485線采用RVS雙絞線,截面積≥1.0mm2;
2、電源線采用截面積≥1.5mm2的阻燃線;
3、導線應有顏色標識,以防接錯。
4、接線示意圖如圖所示:


